YGDW高低溫交變濕熱試驗箱操作說明
高低溫交變濕熱試驗箱
【概 述】
產品特點
高低溫交變濕熱試驗箱的溫度控制器采用TH7110系列寬屏面板液晶顯示可編程溫控儀,既可定值運行,也可程序運行,操作簡單方便。制冷機組采用法國泰康機組。試驗箱配備電熱鍍膜真空觀察窗,能有效解決觀察窗凝露問題。試驗箱采用整體一體化拼裝結構,外觀美觀大方。
主要用途及適用范圍
高低溫交變濕熱試驗箱主要用于檢驗試件的溫濕度應力,可用于航天、航空、電子、冶金、石油、化工等行業。
依據和使用標準
試驗箱設計及制造滿足以下試驗標準及方法
GB2423.1-89 試驗A 低溫試驗方法
GB2423.2-89 試驗A 高溫試驗方法
GB/T2423.3-93 試驗Ca恒定濕熱試驗方法
GB/T2423.4-93 試驗Db交變濕熱試驗方法
GB2423.34-86 試驗Z/AD溫濕度組合循環試驗方法
GJB150.3.4.9-89 高溫試驗、低溫試驗、濕熱試驗方法
GB10586-89 濕熱試驗箱技術條件
GB10592-89 高低溫試驗箱技術條件
二、【技術參數】
溫度 范圍: -40~+150℃
工作室尺寸: 400×500×500(mm)(深×寬×高)
溫度均勻度: ≤2.0℃
濕度 范圍: 20%~98%R.H
電 源: AC220V、50Hz
功 率: 6kW
三、【結構特點及工作原理】
本高低溫交變濕熱試驗箱箱體采用整體結構。內板為1.0mm厚的SUS304不銹鋼板,外板為1.2mm厚的冷軋鋼板,表面靜電粉末噴涂,中間填以100mm厚的巖棉作保溫層。
試驗箱上部為工作室,右側為電器控制室;下部為制冷機組,下部右后方小門內裝有加濕用儲水桶,大門中間安裝有導電膜加熱玻璃視窗,保證在低溫及高濕狀態下能有效觀察試件狀態。
本高低溫交變濕熱試驗箱的控制系統采用威碩TH7110系列寬屏面板液晶顯示可編程溫控儀、PLC可編程控制器及無觸點固態繼電器,可對試驗箱的溫濕度進行程序控制,并可對溫濕度試驗曲線進行無紙化實時記錄及保存。(最長100天)
高低溫交變濕熱試驗箱具有多重安全防護功能:
超溫保護功能;
缺水保護功能 ;
壓縮機過載保護器
壓縮機過壓保護。
四、【安裝及使用】
接通外部總電源開關。
可編程控制器屏幕有顯示。
箱體右下方水箱內裝滿蒸餾水。
按電源“開”,儀表屏幕亮。
在控制器上設定溫濕度運行程序。
需照明時按“照明”開關。(高溫時請勿長時間開啟照明燈)
關機時先關閉儀表運行開關,再按電源“關”按鈕。
五、威碩TH7110彩色液晶觸摸屏溫濕度控制器介紹
1. 可執行1000段模式(每段可設1000步);
2. 全部反復:最多999次(可無限反復);部分反復:最多99次/可以程序連接;
3. 每段可設定0—99小時59分鐘;
4. 每組設定可部分循環1—499回或全部循環1—499回;
5. 微電腦PID自動驗算和自動調整功能;
6. 可選擇定值,程序控制;
7. 執行定值時可任意更改執行條件值;
8. 具有超溫、風機過載等報警功能;
9. 記憶型多功能控制,加熱輸出自動調節;
10. 內含記錄功能(并可存儲100天的歷史數據)可分析、打印、儲存;
11. 配有USB接品1個,通訊接口1個,可與電腦連接;
12. 8點故障報警輸入;
13. 10點控制輸出信號RUN/STOP.TS1—TS2;
14. 溫度上限偏差報警TS1;
15. 溫度上限絕對值報警TS1—TS2;
16. 實現高精度(0.1%)高性能;
17. 輔助輸出狀態的運轉畫面顯示;
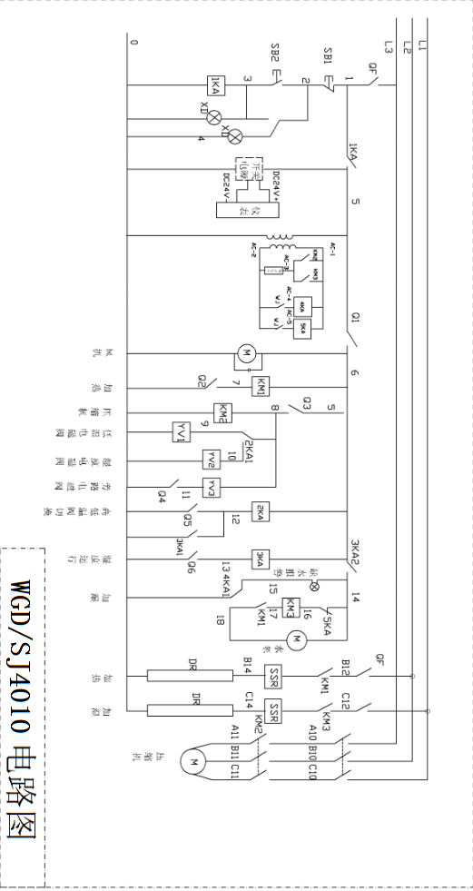
六、【電器線路圖】

七、【注意事項】
電器控制箱體應可靠接地。
設備通電后,嚴禁帶電檢修,不要靠近電器控制箱。
無操作資格者,嚴禁開機及操作。
嚴禁其它設備與該設備共用一空氣保護開關。
應嚴禁無檢修資格者檢修設備。
嚴禁碰撞。
嚴禁用尖銳物接觸控制儀表。
嚴禁用有腐蝕性的清潔液擦試控制柜。
為了穩定地發揮試驗箱的功能、性能,應選擇溫度為10℃~30℃,相對濕度<85%的場所。
安裝場所的環境溫度切忌急劇變化。
應安裝在水平的地面上(安裝時應用水平儀在地面上確定水平)
應安裝在無直射陽光的場所。
應安裝在通風良好的場所。
應安裝在遠離可燃物、爆炸物及高溫發熱源的地方。
八、【隨機附件】
|
序 號 |
名 稱 |
數 量 |
備 注 |
|
1 |
文件 |
1份 |
操作說明書 |
|
2 |
配件 |
2套 |
實驗架 |
九、【簡易故障排除方法】
|
故障現象 |
原因 |
排除方法 |
|
不加熱 |
電加熱絲發生故障 |
更換電熱絲 |
|
加熱回路熔斷器熔斷 |
更換熔斷器 |
|
|
控溫儀表參數設置錯誤 |
控溫儀表參數設至正確值(詳見說明書) |
|
|
控溫儀表損壞 |
修理或更換 |
|
|
控溫儀表超溫設置低于所需值 |
修改控溫儀表超溫參數 |
|
|
固態繼電器損壞 |
更換固態繼電器 |
|
|
接觸器損壞 |
更換接觸器 |
|
|
溫度不顯示 |
傳感器壞 |
更換傳感器 |
|
控溫儀表接線脫落 |
接線擰緊 |
|
|
控溫儀表設置有誤 |
設置按出廠數據 |
|
|
控溫儀表壞 |
更換控溫儀表 |
十、【質量保證】
用戶在遵守本產品使用手冊的前提下,若發生產品故障時,本公司將從產品出廠之日起實行壹年的產品質量保證期,對產品進行免費維護。
超過產品質量保證期時,本公司繼續為用戶實行維修服務,酌情收取費用。
發生故障請及時與本司聯系,我們將在接到電話或傳真后盡快指導用戶如何排除故障。必要時本司會在24小時內派出服務人員趕赴現場排除故障。
|
保 修 登 記 卡 |
|
|
產品型號 |
|
|
設備編號 |
|
|
購買時間 |
|
|
保修期限 |
壹年 |
保修說明:
本服務保修卡系馳旋試驗設備(上海)有限公司,其銷售之產品提供免費售后服務的憑證。
保修期限以驗收合格日算起,提供壹年免費售后服務。
產品于保修期限內,本公司提供免費維修服務,但遇下列情況,雖在有限保修期限內,亦得酌收技術或材料費:
由于天災地變而損毀。
由于使用者之過失或操作錯誤以致故障。
未按規定使用電源電壓導致損壞。
自行拆修以致損壞。
借給他人使用以致故障。
自行改裝以致故障。
自行校正以致故障。
轉移或運送不慎而故障。
遠程地區之服務。
本保修卡若有遺失,本公司恕不補發,敬請妥為保存。
感謝您用本公司產品,如使用上有不明確之處,敬請與本公司服務人員聯絡,本公司竭誠為您做最完善之服務。
合格證
產品名稱:高低溫交變濕熱試驗箱
產品型號:YGDW
出廠編號:XC18
根據檢驗結果,該產品合格,準予出廠。
質檢員:
檢驗日期: 2018 年 月 日








